mini Korg filter - Keio TS201012
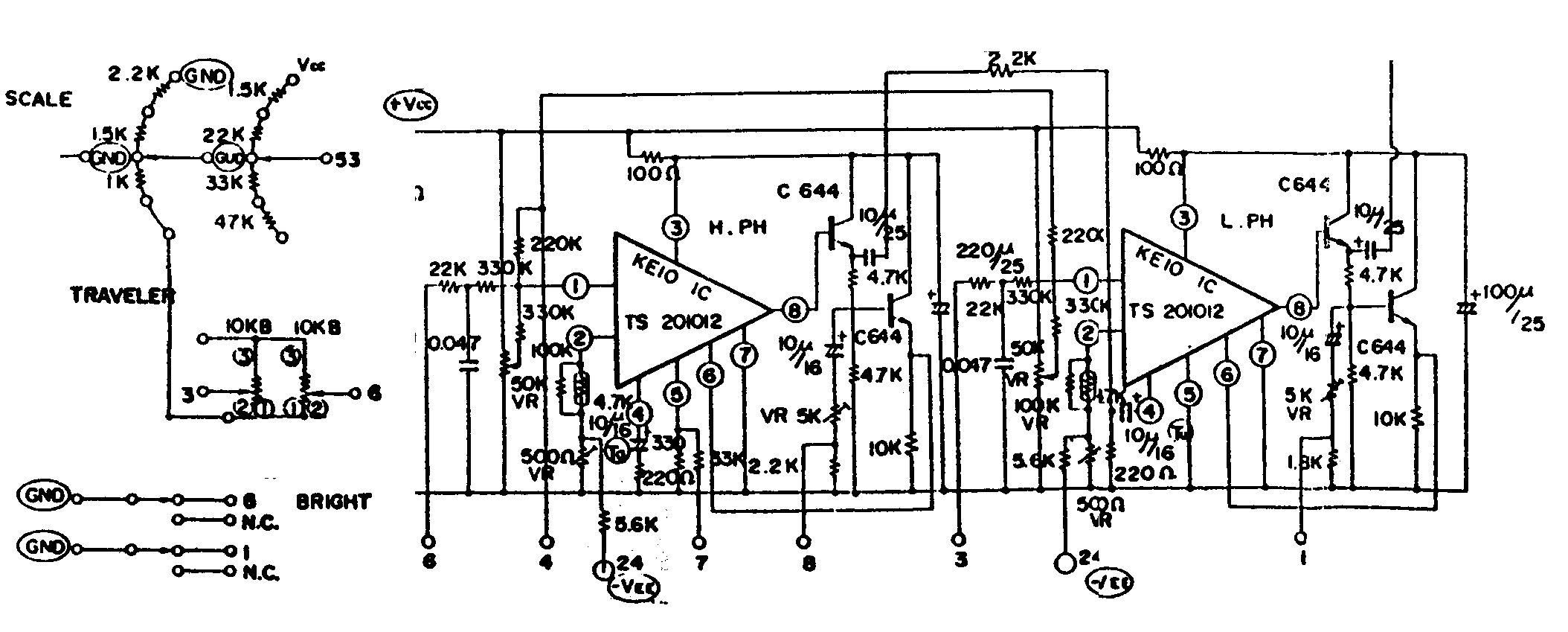
This is a quick page for the results of my reverse-engineering of the filter IC used in the Korg mini 700, 700s and 800DV synthesizers.


If you compare the schematic of this IC in the context of the mini 700 filter with the filter in the Korg 770, you'll see the 770 is just an exposed version of the IC, with a diode array replacing matched diodes.
Keio TS201012 Schematic (pdf)
Keio IC in context
Korg 770 filter schematic
Keio TS200011 VCO Schematic (pdf)
Last update: 26th July 2010
home